Բ  ڽϴ.



▶ SN 2C형 SN 3C형 Shaft Dia 95 ~ 160mm

 
 

Shaft Diameter(mm)

Housing Number

  Self-aligning ball Bearing      Basic load ratings

  Spherical roller Bearing
    Basic load ratings

 SR Ring

Oil Seal

Number

     C(kgf)  (1kgf=9.8N)

Number

     C(kgf)  (1kgf=9.8N)

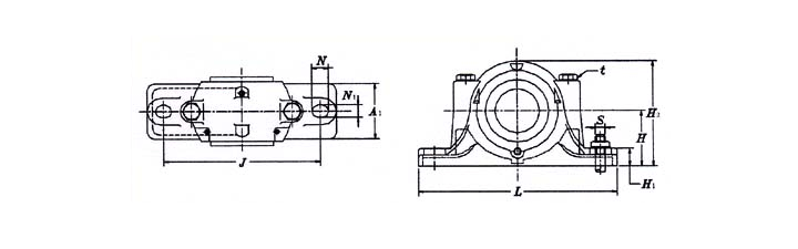
L

S

 95

 SN219C

 1219

 5.000

 -

 -

 SR170×10.5

 GS 24

 GS 20

 2219

 5.750

 22219CD

 26.200

 SR170×10

 GS 24

 GS 20

 SN319C

 1319

 10.400

 21319A

 29.300

 SR200×16

 GS 24

 GS 20

 2319

 11.600

 22319

 43.500

 SR200×10

 GS 24

 GS 20

 100

 SN220C

 2220

 6.150

 22220CD

 29.100

 SR180×12.1

 GS 26

 GS 21

 SN320C

 1320

 10.300

 21320A

 32.000

 SR215×18

 GS 26

 GS 21

 2320

 11.700

 22320CA

 53.500

 SR215×10

 GS 26

 GS 21

 110

 SN222C

 2222

 7.750

 22222CD

 37.500

 SR200×13.5

 GS 28

 GS 23

 -

 -

 23222CA

 45.500

 SR200×10

 GS 28

 GS 23

 SN322C

 1322

 12.000

 -

 -

 SR240×20

 GS 28

 GS 23

 2322

 13.600

 22322CA

 65.500

 SR240×10

 GS 28

 GS 23

 120

 SN224C

 -

 

 22224CD

 43.500

 SR215×14

 GS 30

 GS 26

 -

 

 23224CA

 56.000

 SR215×10

 GS 30

 GS 26

 SN324C

 -

 

 22324CA

 75.000

 SR260×10

 GS 30

 GS 26

 130

 SN226C

 -

 

 22226CD

 50.000

 SR230×13

 GS 33

 GS 28

 -

 

 23226CA

 61.500

 SR230×10

 GS 33

 GS 28

 SN326C

 -

 

 22326CA

 88.000

 SR280×10

 GS 34

 GS 28

 140

 SN228C

 -

 

 22228CD

 57.500

 SR250×15

 GS 35

 GS 30

 -

 

 23228CA

 74.000

 SR250×10

 GS 35

 GS 30

 SN328C

 -

 

 22328CA

 102.000

 SR300×10

 GS 36

 GS 30

 150

 SN230C

 -

 

 22230CD

 67.500

 SR270×16.5

 GS 37

 GS 33

 -

 

 23230CA

 86.500

 SR270×10

 GS 37

 GS 33

 SN330C

 -

 

 22330CA

 111.000

 SR320×10

 GS 38

 GS 33

 160

 SN232C

 -

 

 22232CD

 81.000

 SR290×17

 GS 39

 GS 34

 -

 

 23232CA

 97.000

 SR290×10

 GS 39

 GS 34

 SN332C

 -

 

 22332CA

 122.000

 SR340×10

 GS 40

 GS 34